Thiết bị ngưng tụ làm mát kết hợp

Thiết bị ngưng tụ làm mát kết hợp giữa nước và không khí tiêu biểu nhất là thiết bị ngưng tụ kiểu bay hơi và thiết bị ngưng tụ kiểu tưới.

Đối lưu cưỡng bức (kiểu bay hơi)

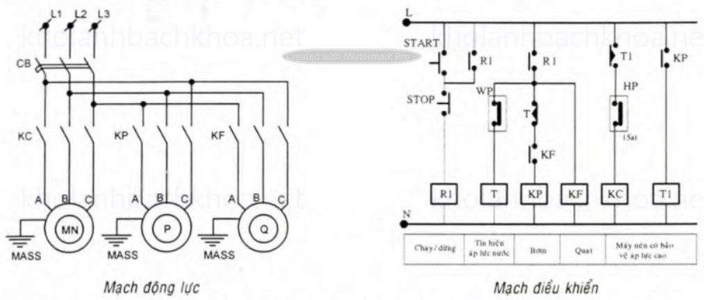
Thiết bị ngưng tụ làm mát hỗn hợp nước và không khí đối lưu cưỡng bức (hay còn gọi là tháp ngưng tụ) cần được tự động hóa với sự quan tâm đến bơm nước tuần hoàn P và quạt hút làm mát Q.

  • Khi cấp nguồn, quạt hút Q sẽ khởi động trước, sau đó bơm nước tuần hoàn P bắt đầu hoạt động.
  • Nếu vì lý do nào đó bơm nước không hoạt động trong một khoảng thời gian nhất định, bơm P sẽ tự động dừng. Bơm nước P được bảo vệ bởi rơle áp suất nước (WP) và rơle thời gian (T).
  • Sau khi thiết bị ngưng tụ hoạt động ổn định, máy nén sẽ được kích hoạt. Nếu thiết bị ngưng tụ gặp sự cố, máy nén sẽ tự động dừng.
  • Để đảm bảo áp suất ngưng tụ không vượt quá giới hạn, một rơle áp suất cao (HP) sẽ được bố trí để cắt nguồn máy nén khi thiết bị ngưng tụ bị quá áp.
  • Nếu lượng nước trong bể chứa giảm, van phao sẽ tự động cấp nước bổ sung để đảm bảo lượng nước tuần hoàn cần thiết.
Dàn ngưng làm mát hỗn hợp nước và không khí đối lưu cưỡng bức
Dàn ngưng làm mát hỗn hợp nước và không khí đối lưu cưỡng bức
Mạch điện điều khiển dàn ngưng làm mát hỗn hợp nước và không khí đối lưu cưỡng bức
Mạch điện điều khiển dàn ngưng làm mát hỗn hợp nước và không khí đối lưu cưỡng bức

Đối lưu tự nhiên (kiểu tưới)

Thiết bị ngưng tụ này tương tự tháp ngưng tụ nhưng không có quạt hút làm mát nước và không được bao bọc xung quanh. Cách điều khiển cũng giống như tháp ngưng tụ. Khi mức nước trong bể chứa thấp, có thể cấp nước bổ sung qua hai đường. Dưới đây là mạch điện điều khiển, sử dụng bơm P2 để cấp nước bổ sung qua van phao FV.

Khi nhấn nút START, bơm tuần hoàn P1 và máy nén hoạt động. Nếu sau một thời gian bơm P1 không bơm được nước, cả P1 và máy nén sẽ tự động dừng. Nếu áp suất ngưng tụ vượt mức cho phép, máy nén cũng tự động dừng.

Dàn ngưng làm mát hỗn hợp nước và không khí đối lưu tự nhiên
Dàn ngưng làm mát hỗn hợp nước và không khí đối lưu tự nhiên
Mạch điện điều khiển dàn ngưng làm mát hỗn hợp nước và không khí đối lưu tự nhiên
Mạch điện điều khiển dàn ngưng làm mát hỗn hợp nước và không khí đối lưu tự nhiên

*Nguồn tham khảo: Tự động điều khiển các quá trình nhiệt lạnh – Nguyễn Tấn Dũng, Trịnh Văn Dũng

Chia sẻ

Thiết bị ngưng tụ làm mát kết hợp

hoặc copy link

Mục lục

kho lạnh Bách Khoa Cảm ơn Quý khách đã quan tâm đến sản phẩm của chúng tôi. Đội ngũ tư vấn của công ty sẽ liên hệ đến Quý khách trong 24h tới

Thông tin liên hệ

Gửi