Các mạch điện cơ bản bảo vệ tín hiệu áp lực
Mạch điện bảo vệ áp lực cao (áp suất ngưng tụ)

Mạch điện bảo vệ áp lực thấp (áp suất bay hơi)

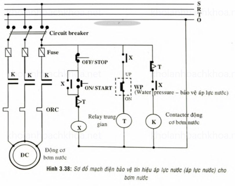
Mạch điện bảo vệ áp lực nước

Mạch điện bảo vệ hiệu áp lực dầu

*Nguồn tham khảo: Tự động điều khiển các quá trình nhiệt lạnh – Nguyễn Tấn Dũng, Trịnh Văn Dũng







